Volvo Electronic Wiring Diagram (EWD) 2014D is an offline interactive wiring diagram library for workshop electrical troubleshooting and circuit verification. The viewer provides model selection, publication selection, and an “open book” style navigation to detailed schematics, component and function group references, and electrical distribution overviews. Use it to trace power and ground paths, verify relay and fuse logic, and confirm module connections on supported Volvo platforms.
The included interface shows model coverage lists such as C30, S40, V40, V50, S60, V60, XC60, C70, V70, XC70, S80, and XC90 with year ranges displayed in the selector. Diagram depth and availability depend on the exact model year, market configuration, and installed options.
Highlights
Package contents
Compatibility notes
Basic usage
Operating systems
Minimum system requirements
Disclaimer
Site-wide Disclaimer & Legal Notice



The included interface shows model coverage lists such as C30, S40, V40, V50, S60, V60, XC60, C70, V70, XC70, S80, and XC90 with year ranges displayed in the selector. Diagram depth and availability depend on the exact model year, market configuration, and installed options.
Highlights
- Interactive wiring diagram navigation with model and publication selection
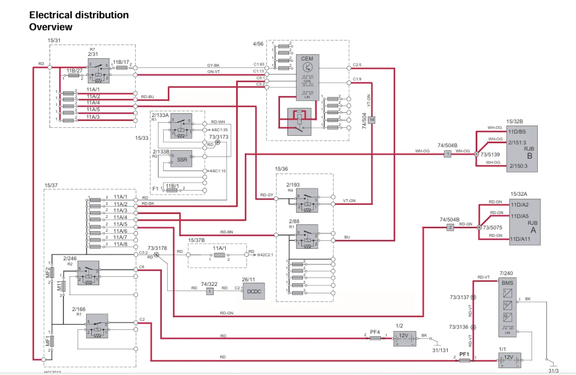
- Electrical distribution overview diagrams for faster power and ground tracing
- Relay and fuse focused pages for quick fault isolation and load verification
- Module level references including CEM, CAN, and LIN related circuit context where applicable
- Searchable function group and publication numbering guidance for accurate diagram selection
- Offline ISO based package for stable workshop use without internet access
Package contents
Code:
VOLVO EWD 2014D FULL.iso
Compatibility notes
- Designed as an EWD viewer package. Coverage depends on model, year range, and vehicle equipment level.
- Some screens show multilingual content. Availability varies by model and publication.
- ISO based distribution typically works best when mounted as a virtual disc. Viewer behavior can vary by browser and local security settings.
- Always confirm the exact model year and options before relying on a specific circuit path or connector reference.
Basic usage
- Download the ISO and verify file integrity using your standard workshop process.
- Mount the ISO as a virtual disc, or extract its contents to a local folder.
- Open the start page from the mounted disc, then select the car model and the publication.
- Use the interactive diagram view to trace circuits, then cross check fuses, relays, and grounds against the vehicle configuration.
- Save screenshots or notes in a job folder for traceability, and keep original files unchanged.
Operating systems
- Windows 10 or Windows 11 recommended for ISO mounting and consistent viewer behavior
- Other systems that can mount ISO images and run a modern browser may work, feature availability can vary
Minimum system requirements
- CPU: dual core or better
- RAM: 4 GB or more recommended
- Storage: 6 GB free space if extracting the ISO to disk
- Network: not required for offline use
- Admin rights: may be required to mount ISO images depending on system policy
Disclaimer
Site-wide Disclaimer & Legal Notice
- No file hosting. This website does not host or store any software, firmware, keys, or archives. All download buttons point to third party clouds and CDNs under the control of their respective owners.
- Editorial index only. Descriptions and screenshots are provided for educational and reference purposes to help users identify legitimate manufacturer resources. We do not modify, repackage, or monetize third party binaries.
- No endorsement or affiliation. Product names, logos, and trademarks belong to their respective owners. Use of names is nominative and does not imply sponsorship or affiliation.
- Licensing and EULAs. Users are solely responsible for following each vendor’s liсеnsе terms and local laws. We do not supply liсеnsе keys or methods to bураss protection. Do not request them.
- Compliance and safety. Any diagnostic information is intended for lawful service and repair by qualified personnel. Do not defeat safety systems or emissions controls where prohibited.
- Safety and warranty risk. Vehicle electrical work can damage modules or wiring and may void warranties if performed improperly. Proceed at your own risk and verify procedures before applying power.
- Security and integrity. Always verify hashes and scan downloads. We do not guarantee the availability, cleanliness, or integrity of external files and are not liable for loss or damage resulting from their use.
- Export and sanctions. Users are responsible for observing applicable export control, dual use, and sanctions regulations.
- Privacy. Do not upload or share data containing personal or proprietary information unless you have the legal right to do so.


